|
পণ্যের বিবরণ:
প্রদান:
|
| বিশেষভাবে তুলে ধরা: | পরিবর্তনশীল স্থানচ্যুতি জলবাহী পাম্প |
||
|---|---|---|---|
সাইড পোর্ট ট্রাক উচ্চ চাপ হাইড্রোলিক অক্ষীয় পিস্টন পাম্প HA10VSO DFLR সিরিজ
তাৎক্ষণিক বিবরণ
অক্ষীয় পিস্টন পাম্প
চাপ, ফ্লো, ঘূর্ণন সঁচারক বল নিয়ন্ত্রণ
Keyed শাফট
পারবুনন সীল
কংক্রিট পাম্প ট্রাক জন্য
টর্কে কন্ট্রোল অক্ষীয় পাম্প HA10VSO DFLR সিরিজ
অক্ষীয় পিস্টন পাম্প, স্থানচ্যুতি 45cc হয়
চাপ, ফ্লো, ঘূর্ণন সঁচারক বল নিয়ন্ত্রণ
ঘড়ির কাঁটার ঘূর্ণন
পেরবুনিয়ান সীলমোহর
Keyed শাফট
SAE 2 গর্ত UNC মেট্রিক থ্রেড
সাইড পোর্ট টাইপ, একক পাম্প
A10VSO28, A10VSO45, A10VSO71, A10VSO100, A10VSO140

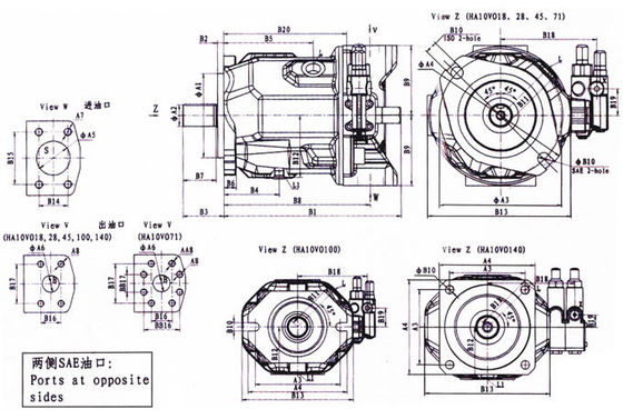
উত্পাটন | মাউন্ট চক্রের উন্নত পার্শ্ব A (বি) আইএসও (4) -হোল | মাউন্ট চক্রের উন্নত পার্শ্ব সি (ডি) SAE 2 (4) -হোল | করুন A4 | A5 | থেকে A6 | ||||||||
ক 1 | A3 তে | B2 তে | B10 | এল (এটি L1) | ক 1 | A3 তে | B2 তে | B10 | এল (এটি L1) | ||||
18 | 80h8 | 109 | 7 | 11 | M16 × 1.5 | 82.55h8 | 106,4 | 6.3 | 11 | 9 / 16-18UNF | 134 | 25 | 20 |
28 | 100h8 | 140 | 9 | 14 | M18 × 1.5 | 101.6h8 | 146 | 9.5 | φ14 | 3 / 4-16 ইউএনএফ | 174 | 32 | 20 |
45 | 100h8 | 140 | 9 | 14 | M22 × 1.5 | 101.6h8 | 146 | 9.5 | φ14 | 7 / 8-14 ইউএনএফ | 174 | 40 | 25 |
71 | 125h8 | 180 | 9 | 18 | M22 × 1.5 | 127h8 | 181 | 12.7 | φ18 | 7 / 8-14 ইউএনএফ | 210 | 50 | 25 |
100 | 125h8 | 180 | 9 | 17.5 | এটিকে M27 × 2 | 127h8 | 181 | 12.7 | 17.5 | 11 / 16-12 ইউএনএফ | 210 | 60 | 32 |
140 | 180h8 | 158,4 × 158,4 | 9 | φ18 | এটিকে M27 × 2 | 152.4h8 | 161,6 × 161,6 | 12.7 | φ20 | 11 / 16-12 ইউএনএফ | 200 × 200 | 63 | 32 |
তেল পোর্ট প্রকার মাত্রা
উত্পাটন | অপ্রত্যাশিত পার্শ্ব মধ্যে PORTS | প্যারিস | (ইউএনসি) | |||||||||||
খ 1 | B8 | B9 | B18 | B19 | B20 | খ 1 | B8 | B9 | B18 | B19 | B20 | A7 | A8 | |
18 | 195 | 145 | 63 | 109 | 40 | 130 | M10 (3 / 8-16UNC) | M10 (3 / 8-16UNC) | ||||||
28 | 206 | 164 | 80 | 119 | 40 | 140 | 225 | 170 | 45 | 73 | 43 | 209 | M10 (7 / 16-14UNC) | M10 (3 / 8-16UNC) |
45 | 224 | 184 | 90 | 129 | 40 | 155 | 244 | 189 | 50 | 81.5 | 40 | 228 | M12 (1 / 2-13UNC) | M10 (3 / 8-16UNC) |
71 | 259 | 217 | 104 | 143 | 40 | 183 | 278 | 223 | 58 | 91.5 | 40 | 262 | M12 (1 / 2-13UNC) | M10 (3 / 8-16UNC) |
100 | 329 | 275 | 100 | 148 | 40 | 250 | 344 | 288 | 55 | 99 | 40 | 327 | M12 (1 / 2-13UNC) | M14 (1 / 2-13UNC) |
140 | 337,5 | 275 | 110 | 183 | 27 | 222 | 379 | 293 | 60 | 140 | 27 | 353 | M12 (1 / 2-13UNC) | M14 (1 / 2-13UNC) |
ইউনিভার্সাল আকার
সিসি | B4 এ | B5 | বি 6 | B11 | বি 12 | B13 | B14 | B15 | B16 | B17 | এক্স | বি | এস |
18 | 43 | 83 | 11.5 | 67 | 66 | 152 | 26.2 | 52,4 | 22.2 | 47.6 | 7 / 16-20UNF | 3/4 " | 1 " |
28 | 40 | 90 | 13 | 74 | 75 | 164 | 30.2 | 58,7 | 22.2 | 47.6 | 7 / 16-20UNF | 3/4 " | 11/4 " |
45 | 45 | 96 | 13 | 83 | 81 | 184 | 35.7 | 69,9 | 26.2 | 52,4 | 7 / 16-20UNF | 1 " | 11/2 " |
71 | 53 | 115 | 17 | 98 | 92 | 210 | 42.9 | 77,8 | 30.2 | 58,7 | 7 / 16-20UNF | 1 " | 2 " |
100 | 95 | 175 | 20 | 106 | 95 | 236 | 50.8 | 88.9 | 31.8 | 66.7 | 7 / 16-20UNF | 11/4 " | 21/2 " |
140 | 78 | 173 | 21 | 118,5 | 108 | 262 | 50.8 | 88.9 | 31.8 | 66.7 | M14 × 1.5 | 11/4 " | 21/2 " |